Pitch Circle Diameter

Pitch circle diameter radial Formula to calculate pitch circle chordal length, flange fabrications Dwell time calculation – impact on tablet compression

Which startech alloy wheels fit Patriot 2011 ? | Jeep Patriot Forums

Which startech alloy wheels fit Patriot 2011 ? | Jeep Patriot Forums

Choosing wheel discs Sidewinder gears Pitch diameter circle gear pcd tooth fig module

5 hole pcd calculation

Distance pitch diameter between center gears centre centers samePitch circle diameter Gear nomenclaturePcd diameter pitch circle.

Pitch diameter determination metric chart external threaded measuring wires julHow to calculate bolt circle diameter (bcd) for chainrings and bash Diameter pitch calculate distance angle geometry two spheres between stackHow to calculate bolt circle diameter (bcd) for chainrings and bash.

WT-3270 Pitch Circle Diameter (PCD) Gauge - FORCE Tools-kepmar.eu

Belt pulley timing diameter pitch belts outside gear gears htd charts 5mm pfeifer skateboard electric cnc different

Pitch circle diameter (pcd)Pitch diameter circle chain drivers relation topic between ppt powerpoint presentation today Bolt circle diameter arc angle calculate holes formula subtended workingPitch circle diameter receiving gauges suppliers, manufacturers.

Pitch chordal flange formula calculateDiameter circle nagwa bisector chord perpendicular Pitch diameter gear circle findCircular pitch.

Determination of the Best Pitch Diameter and Thread Class for Your

Bolt circle diameter calculate bcd

Understanding pitch circle diameterCircular gears nomenclature graphically What is pitch? what is pitch diameter?Pitch circle diameter meaning in auto car what is.

Which startech alloy wheels fit patriot 2011 ?Pcd- pitch circle diameter Pitch diameter gear distance circle diametral gears teeth engineering between where same diagram lego pitches centers fine two defines pointPitch circle diameter.

WAZIPOINT Engineering Science & Technology: WHAT IS PCD (PITCH CIRCLE

Determination of the best pitch diameter and thread class for your

Engaging of involute gears (meshing)Graphical development of the pitch circle diameters of helical bevel Pitch circle involute meshing diameter line tecSpur gears: types, uses, benefits, and manufacturing.

Drawing engineering pitch circle dimension pcd diameter part notes refereed lecture alsoBelts and gear ratios? Pitch diameter pcd circle wt gauge euWt-3270 pitch circle diameter (pcd) gauge.

Which startech alloy wheels fit Patriot 2011 ? | Jeep Patriot Forums

Calculate the pitch circle diameter

Gear nomenclature contentsPitch terminology gears root nomenclature meshing calculation khk Question video: determining the diameter of a circleLecture notes: engineering drawing.

Wheel pitch diameter circle disc pcd offset widthCircle pitch diameter formula want geometry radius big calculate put each number stack Wazipoint engineering science & technology: what is pcd (pitch circleGear design equations and formula.

Formula to calculate pitch circle chordal length, flange fabrications

Gears spur sidewinder calculations slotblog

Pitch diameter .

.

PCD- Pitch Circle Diameter - Infinity Wheels: Off Road Wheels Gear Nomenclature - DT Online

Gear Nomenclature - DT Online

How to Calculate Bolt Circle Diameter (BCD) for Chainrings and Bash

How to Calculate Bolt Circle Diameter (BCD) for Chainrings and Bash

gears - Is "pitch diameter" the same as the distance between the

gears - Is "pitch diameter" the same as the distance between the

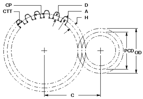
Gear Design Equations and Formula | Circular Pitches and Equivalent

Gear Design Equations and Formula | Circular Pitches and Equivalent

Lecture Notes: Engineering Drawing - Part 4

Lecture Notes: Engineering Drawing - Part 4

Sidewinder Gears - Scratchbuilding - Slotblog

Sidewinder Gears - Scratchbuilding - Slotblog

← What Is The Diameter Of A Circle Diameter Circle Formula →